投诉热线:13148701893
联系人:邓小姐
传真: 0755-27315661
	           0760-85884496
  座机:0755-29769890-0
            0760-85884486
 邮箱:jxdlx107@goodview-lcd.com
办公地址:深圳市宝安区福永塘尾富华工业区11栋3楼
工厂地址:广东省中山市三乡镇万里路1号平铺工业区B栋三楼
LCD液晶模块-TCON板维修注意事项
来源:字符型液晶模块 发布时间:2018-01-11 点击量:3873
	控制板又称逻辑板或T-CON板,T-CON是Timming Controller的英文缩写,意思是时序控制电路。CRT电视已经有几十年的历史了,传统的CRT电视是通过扫描的方式工作的,信号都是串行的,而现在的电视标准又是根据CRT电视制定的,所以电视信号经电视机主板解码后输出的也是串行信号,我们知道液晶显示器是采用矩阵显示的方式工作的,处理的是并行信号,也就是说,如果将主板解码后的电视信号直接送往液晶显示器显示,液晶显示器是不能显示的。必须有一个将串行信号转换为并行信号的装置,液晶显示器才能将电视信号显示出来,于是便有了T-CON板,T-CON板就是一个将串行信号转换为并行信号的装置。主板输出的电视信号,在T-CON板中,进行拆解、重新组合,最终形成液晶显示器的行驱动和列驱动需要的控制信号和数据信号。一般的T-CON板电路大致可以分为三大部分:信号处理电路(主IC及其外围电路)、灰度形成电路(GMA形成电路)、供电电路(DC/DC电路)。信号处理电路主要是将主板传输来的电视信号转换为液晶屏显示需要的控制信号、像素信号、辅助信号等;灰度形成电路主要是形成液晶显示器显示所需要的灰度信号(灰度可以使液晶屏的显示更有层次感,使显示更加丰富鲜明)。供电电路主要是形成信号处理IC、行驱动和列驱动的供电电压以及TFT的开关电压(TFT开启电压VGH、TFT关闭电压VGL)等。
 一、T-CON板常见故障及分析
 1、显示画面颜色异常
 一般来说,液晶屏显示画面的颜色异常,与信号处理IC有很大的关系,信号处理内部结构复杂,集成度高,很容易被静电和突发的强电压、大电流损坏。大多数的画面异常是信号处理IC损坏引起的。IC输出液晶屏显示需要的控制信号和像素信号,IC损害后,控制信号无法完成对像素信号的有序排列,所以产生画面异常。另外,FFC(软排线)损坏或连接不到位也会产生画面异常。
 2、显示器的显示画面无图
 显示画面没有图像就意味着IC没有控制信号和像素信号的输出,引起显示器无图的原因有这麽几方面:(1)、IC严重损坏,导致没有控制信号和像素信号的输出,显示器没有可供显示的图像输入,所以不显示;(2)、给IC供电稳压芯片损坏导致IC不工作,所以无图像;(3)、供电电路(DC/DC电路)故障导致不能提供IC工作所需的电压,所以无图。
 3、显示画面中的灰阶画面异常
 灰阶画面异常与GMA形成电路有很大关系,GMA电压的形成是将电阻分压阵列采集来的一串VS电压信号经过集成运算放大器的运算放大后输出一串GMA电压信号,在灰度形成过程中以GMA电压信号作为参考标准,GMA电压异常就会导致灰阶画面发生异常。
 二、控制板的维修方法
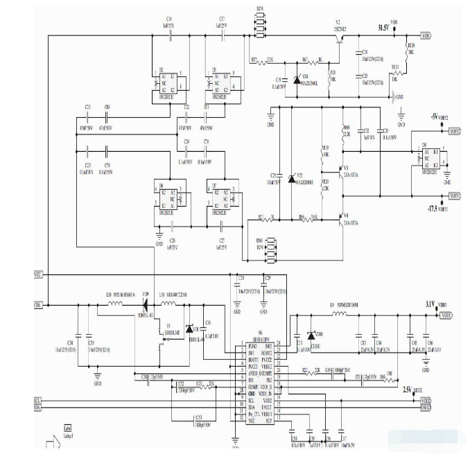
 1、控制板供电电路故障引起的无图、附有供电部分的电路图:
	
	供电部分主要是为信号处理IC、行驱动电路、列驱动电路提供工作电压,除GMA电压外,几乎所有的电压均有该电路产生。供电部分出现故障必然会导致其他电路因供电异常而无法工作,导致液晶屏没有画面。检修时,首先应测量保险丝有无烧坏,发现保险丝烧坏后,更换保险丝,重新通电检测画面。保险丝没有问题,首先用万用表测量VON(VGH)电压是否为31.5V左右,VOFF(VGL)电压是否为-5V左右。如果VON、VOFF电压不正常,测量VD10有无击穿,没有击穿则可能是BD8161EFV芯片损坏。如果VON、VOFF正常,测量LVDS接口是否为12V,如果测不到12V电压,则很可能是控制板电路有短路。如果12V正常,再测量VDD是否为3.1V,如果不是3.1V,证明BD8161EFV芯片输出不正常。如果VDD是3.1V则很可能不是供电电路引起的故障。如果BD8161EFV芯片周围有短路,则先用热风枪将芯片吹下来,用万用表测量短路消失,证明是芯片引起的短路,更换芯片即可。如果用万用表测量短路依然存在,就需要对短路的元器件逐个排除。
2、信号处理IC故障引起的画异
信号处理IC的电路下图所示:
	大多数的画面异常是由信号处理IC故障引起的。T-CON芯片(信号处理IC)产生控制信号,控制像素数据在行电极和列电极进行有序的排列。当信号处理IC出现故障时,无法产生正常的控制信号使像素数据得到有序的排列,从而产生画面异常;信号处理IC故障还会引起送入T-CON芯片的LVDS信号无法转化成RSDS控制信号,导致显示画面白屏或黑屏等。信号处理IC引起的画面异常包括所有显示画面杂乱无章、TN机种只显示黑画面、MAV机种只显示白画面、花屏等。在确定IC故障的维修过程中,需要用到示波器。先用示波器测量STH信号的波形、幅值、占空比是否正常。若不正常则可判断信号处理IC已经出了问题,更换IC,一般故障即可排除。若STH信号正常,再分别测量STV、OE、CKH、STB、CPV、CKV、POL等信号的波形、幅值、占空比是否正常。直到确定信号处理IC故障为止。修理时间长了后,可根据是哪种画面异常,反推出是否是信号处理IC的故障。附上信号处理IC产生的各信号的作用。
(1). 驱动IC的始动信号 。
(2). POL 反转信号,决定反转模式。
(3). STB 门输入,让同一条水平线的信号同时进入。
(4). CPV/CKV 行驱动IC时钟。CKH 列驱动IC的时钟。
(5). STH 列
(6). STV 行驱动IC的始动信号。
(7). OE 避免同一个信号同时传到上下相邻的两水平线。
3、灰阶画面异常的维修
伽马电压形成电路的电路如下图所示:
	液晶屏显示画面要有层次感,就必须在显示的时候加入灰度,灰度的形成是在列驱动IC中进行的,在灰度形成过程中是以GMA电压作为参考进行的。当GMA电压异常时,就会在灰阶画面下产生画面异常。维修时,测量GMA电压测试点,看各GMA电压测试点之间有无短路,当发现短路时,应首先怀疑是集成运放的内部出现短路,更换集成运放,重新测量各GMA电压测试点的电压,如果正常了证明是集成运放的问题,如果还是不正常则要分析两个GMA电压测试点的之间的元器件,找出造成短路的元器件,更换掉电路就会恢复正常。测量GMA电压测试点但没有发现短路现象,则测量各点的GMA电压值,看是否正常,找出GMA电压值不正常的一个点测量它到集成运放的各元件的压降,找出压降不正常的元件换掉看该GMA电压测试点的电压是否恢复正常。如果还不正常,则很可能是集成运放有问题。
控制板的介绍和控制板的维修就到这里,深圳佳显LCD液晶模块厂家希望对大家会有所帮助。




                              
                              
                              
                              
                              
                              
                              
阿里巴巴二维码
网站二维码